Mi cuenta
17 produits
Hoy en día los equipos de hidroterapia son más comunes de lo que se piensa. Muchas personas ya no dudan en adquirir una bañera de hidromasaje para disfrutar de estos tratamientos. Puedes equipar tu piscina con chorros de masaje o con efecto "burbujas". Dependiendo del efecto que desee crear en su piscina, descubra nuestra colección de balneoterapia para todo tipo de piscinas y spas, según el revestimiento.


Distripool El especialista en venta online de piscinas y accesorios para piscinas
Más información
Crea tu propia hidroterapia personalizada en tu piscina, elige tu tipo de masaje (tónico o relajante), crea tu propio proyecto de balneoterapia para tu piscina para una integración perfecta.
Imagínate: cuando llegues a casa del trabajo, podrás disfrutar de todos los beneficios de la hidroterapia en casa. Dijo que es utilizado por fisioterapeutas, spas, etc. para relajar el cuerpo y los músculos, lo que permite tratar patologías: reumatología, traumatología, ortopedia, etc.
En esta guía te presentaremos los diferentes tipos de masajes, pero también cómo crear tu propio spa de hormigón personalizado en casa utilizando balneoterapia.
Las imágenes, diagramas y textos son propiedad de DISTRIPOOL.
Hay dos principios de inyección en balneoterapia: (agua+aire) y (solo aire).
Cada uno de los 2 principios, tiene 2 tipos de efectos posibles, correspondientes a diferentes caudales para diferentes representaciones.
Este tipo de boquilla proporciona una verdadera sensación de masaje en el cuerpo y los músculos.
|
|
|
Principio de un circuito de masaje con efecto Venturi: Las boquillas se alimentan de agua mediante una bomba auxiliar (booster). El aire se toma del ambiente circundante a través de una entrada de aire ubicada en el borde de su piscina o spa, y se mezcla con el agua mediante las boquillas utilizando un sistema venturi interno. No hay soplador (compresor de aire). Las boquillas se ubicarán un máximo de 30 cm por debajo del nivel del agua, para que la inyección de aire se realice correctamente.. |
BALNEO: EFECTO TURBO JET (1)
Este efecto, utilizable con una sola boquilla, requiere un caudal de entrada de 10 a 15 m3/h, la entrada de agua es de diámetro roscado de 1,5", la entrada de aire es de 33 mm de diámetro. Este efecto está disponible para revestimientos como yeso, mosaico o revestimiento.
BALNEO: EFECTO CLÁSICO DE MASAJE VENTURI (2)
Este efecto, cuando se monta con varias boquillas, requiere un caudal de entrada de 4,5 a 5,6 m3/h por boquilla, la entrada de agua tiene un diámetro de 50 mm para ser pegada, la entrada de aire 33 mm. Por lo tanto, es necesario adaptar el caudal de la bomba en función del número de boquillas: por ejemplo, para 4 boquillas, se requerirá un caudal de aproximadamente 20 m3/h. Estas boquillas se instalan sobre revestimientos como yeso, mosaico o liner con 2 tipos de boquillas muy específicos:
Los masajes agua/aire "venturi" alimentados por un amplificador requieren un drenaje de succión para enviar el agua a la bomba del spa. Simplemente coloque el tubo de 63 mm de diámetro directamente detrás de la boquilla.
La elección de la potencia de la bomba dependerá del tipo de boquilla y/o del número de boquillas instaladas.
- Turbo jet: 10 a 15 m3/h para 1 boquilla
- Masaje Venturi: 4,5 a 5,6 m3/h por boquilla (por tanto x veces el número de boquillas)
La potencia del booster se determinará sumando los caudales de las diferentes boquillas que desees instalar en tu piscina o spa. Dependerá de los modelos y marcas, es decir de su rendimiento, pero en general da:
Consejo profesional de Distripool:
- Es importante no superar los 5 m de distancia entre las boquillas y el booster, en caso contrario se deberá sobredimensionar la bomba teniendo en cuenta las pérdidas de carga generadas (consulte a nuestros técnicos en el 04 11 93 04 09)
- Las potencias y caudales se dan sólo a título informativo, debe consultar la curva de eficiencia de su booster para determinar el modelo de bomba correcto. (contacte con nuestros técnicos al 04 11 93 04 09)
Para el turbo jet
Para masajes EFECTO VENTURI
Es importante equilibrar la red de tuberías de descarga: cada entrada (T) debe estar centrada entre cada ramal (codo o T), y las longitudes de los segmentos de tubería deben ser equivalentes si se desea que la potencia esté bien distribuida en todas las boquillas.
Sólo los últimos segmentos de tubería que alimentan una sola boquilla pueden tener un diámetro de 50 mm. Todos los segmentos comunes deben tener un diámetro de 63 mm, al igual que la succión.
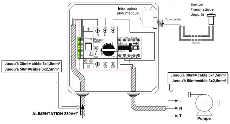
Conexiones y conexiones eléctricas del amplificador:
El interruptor que permite el accionamiento, situado en el borde de la piscina, no está conectado eléctricamente: es un pulsador neumático que está conectado a una caja de control eléctrica situada en la sala técnica separada, con un pequeño tubo llamado "tubo de cristal". pasar a través de una funda.
Esta caja de control está equipada con un interruptor neumático conectado al tubo de cristal, y por lo tanto al botón neumático, situado cerca del spa o piscina; así como un disyuntor magnetotérmico que deberá calibrarse de acuerdo a la potencia del booster (Amperaje) para protegerlo.

|
|
|
Principio de un circuito de inyección de aire: Para un masaje suave y relajante, el circuito spa con inyección de aire utiliza únicamente un soplador tipo BLOWER.
La elección de la potencia dependerá del tipo, número y profundidad de las boquillas.
|

Hay 2 tipos de boquillas de aire:
1: Fondo de la cuenca del efecto GEYSER (1).
2: El efecto burbuja (2) basado en 2 posibilidades: “tubos MS” (hormigón) y boquillas llamadas “inyectores” (hormigón revestido o liner)
EFECTO GÉISER (1)
Este efecto balneo está pensado para el fondo de un spa o de una piscina pequeña, es decir, una altura de agua de 120 cm como máximo.
El equipo de aerobalneo se entrega en 2 piezas con la descarga específica, así como la rejilla de 37 grandes agujeros. El suministro de agua tiene un diámetro de rosca de 2" (macho) o 1"1/2 (hembra), y viene con brida y un juego de juntas directamente.
En cuanto a la conexión de las boquillas es similar a las descargas de piscina, es decir en tuberías de 50 mm y 63 mm. Si hay varias boquillas es necesario disponer de una red simétrica y equilibrada, con el uso de tes y cruces.
![]()
EFECTO BURBUJA (2)
Este efecto de balneoterapia está previsto para el asiento de un banco de piscina o spa, es decir, una altura de agua de 60 cm como máximo.
Para este efecto existen 2 posibilidades dependiendo del tipo de recubrimiento:
- Boquillas singulares llamadas “inyectores” con 2 modelos diferentes.
- O bien un tubo lineal "Tube MS" sólo para revestimientos revestidos o de mosaico.
Inyectores modelo pequeño para el asiento (excepto revestimiento,liner).
![]()
En cuanto a la conexión de la boquilla, se debe montar con piezas en T específicas (32 x 1" x 32 mm). Es necesario tener una red simétrica y equilibrada, con el uso de las piezas en T, siendo la red de 32 mm. , si el soplador está a menos de 5 m de distancia.
Inyectores de gran tamaño para el asiento (todos los revestimientos,liner).
El principio de montaje es el mismo que para los inyectores de modelos pequeños. El material se entrega en 2 piezas con descarga específica, así como la rejilla de 25 pequeños agujeros. El suministro de agua es roscado de 2" (macho) o 1"1/2 (hembra); y viene con brida y juego de juntas directamente.
En cuanto a la conexión de las boquillas, es similar a las descargas de piscinas, es decir en tuberías de 50 o 63 mm. Recuerde siempre tener una red simétrica y equilibrada.
Tubos MS:
Los tubos MS se "toman" en la estructura de hormigón, quedando la parte plana superior del perfil a ras del revestimiento (revestimiento impermeable, mosaico) (sin liner ni carcasa ni gel coat).
Luego, utilizando una broca fina de 5 mm de diámetro, perforamos agujeros cada 10 a 20 cm en la placa de descarga.
Configuración del SOPLADOR para su spa de aire
La elección de la potencia dependerá del tipo, número y profundidad de las boquillas. A continuación te dejamos una pequeña tabla técnica para ayudarte. Como guía, también depende de la calidad del soplador que compre.
Consejo profesional de Distripool:
- Es importante no superar los 5 m de distancia entre las boquillas y el booster, de lo contrario, el blower debe ser sobredimensionado teniendo en cuenta las pérdidas de carga generadas (es decir, la pérdida de presión y también de caudal debido a la longitud de la tubería)
- dimensionamiento previsto para la base a 60 cm máximo de la altura del agua, y 1,10-1,20 m para el fondo (géiser)
Aquí están los diagramas de instalación:
Diagrama de instalación de spa con inyector pequeño/grande
SDiagrama de instalación de hidroterapia para tubo MS
Esquema de instalación de hidroterapia efecto GEYSER
Conexiones y conexiones eléctricas del SOPLADOR:
El interruptor que permite el accionamiento, situado en el borde de la piscina, no está conectado eléctricamente: es un pulsador neumático que está conectado a una caja de control eléctrica situada en la sala técnica separada, con un pequeño tubo llamado "tubo de cristal". pasar a través de una funda.
![]()
Esta caja de control está equipada con un interruptor neumático conectado al tubo de cristal, y por lo tanto al botón neumático, situado cerca del spa o piscina; así como un disyuntor magnetotérmico que se calibrará de acuerdo a la potencia del soplador (Amperaje) para protegerlo.
![]()

Ven y descubre nuestra guía para la estructura y revestimiento de tu spa / jacuzzi de hormigón a medida. (haga click en la imagen de abajo)
Ver también
Añadir al carrito
Añadir al carrito
Servicio de atención al cliente receptivo